Telefon: +49(0)39262 878720

Email: gemashop@gema-net.de

WhatsApp: +49(0)17660429928

  • gyors szállítás

  • Ingyenes segítség és tanácsadás

  • Problémamentes visszaküldés

  • Nyitva a hét 7 napján

Anhaltinerring 17, 39439 Güsten

Nyitva H-Cs 7-17 óráig; Péntek 7-16 óra; Szo 9-12 óráig

Caleffi  |  Cikkszám: KSG1

Sárgaréz nyomásvezérlő manométerrel a kazán tartozékok fűtési rendszereihez

Név: CALEFFI S.p.a.

Cím: S.R. 229, n. 25, 28010 Fontaneto d'Agogna (NO) Italy

E-mail: info@caleffi.com

Weboldal: https://www.caleffi.com/de-de

Európai gyártó: Igen

Normál ár 35,80 €
áFA tartalmazza. Szállítás a pénztárnál kerül felszámításra.


Szállítás és szállítás

A feldolgozási idő jellemzően 1 munkanap. Csomagok kézbesítése 1-3 munkanap. Áruszállítás esetén a kézbesítés 3-5 munkanapot vesz igénybe. Németországon kívül a szállítási idők eltérőek lehetnek.

Beschreibung

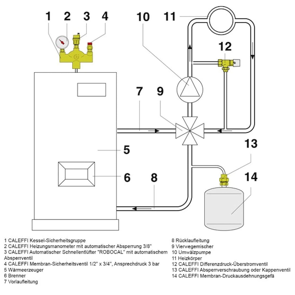
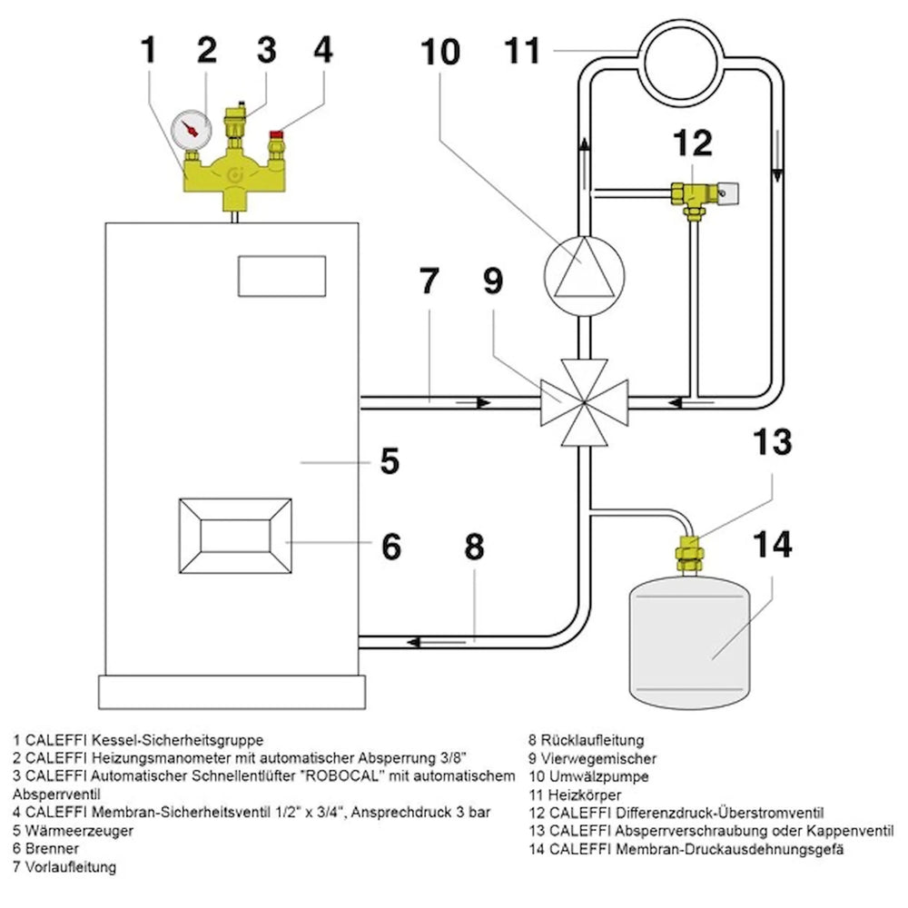
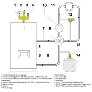
Kazán biztonsági csoport 1" Caleffi

MPN: 302631

Alkalmazási területek

Zárt fűtési rendszerekhez a DIN 4751 szabvány szerint, 50 kW vagy 45 000 kcal/h teljesítményig

biztonsági szelep 1" kazánokhoz - 3 bar

Gyorslégtelenítővel, biztonsági szeleppel és nyomásmérővel felszerelt.

Tömör öntött sárgarézből, MS58-ból készült konzol.
A speciális alaknak köszönhetően a fűtővízben lévő apró légbuborékok erőltetetten az automatikus Caleffi gyorslégtelenítőhöz kerülnek.

Alsó csatlakozás 1" Belső menet a hőtermelőhöz vezető csatlakozóvezetékhez.

Előgyártott polisztirol héj a DIN 4102-A1 szabvány szerint szigetelésként.

Szállítási terjedelem:

  • Caleffi Kazánbiztonsági Csoport 1"
  • Szigetelés a kazáncsoporthoz
  • Nyomásmérő a kazáncsoporthoz
  • Biztonsági szelep kazáncsoporthoz

Műszaki adatok: Kazán biztonsági csoport

  • Csatlakozás belső menettel 1"
  • Fűtési nyomásmérő ¼"
  • Automatikus elzárószelep 3/8"
  • Max. üzemi hőmérséklet: 110°C
  • Biztonsági szelep 3 bar
  • Polisztirol héjszigetelés DIN 4102-A1
  • Akár 50 kW-ig is használható
  • Méretek 19,4x17,6x7,2 cm

Biztonsági csoport, amely a következőkből áll:

Fűtési nyomásmérő 3/8", Ø 63 mm, zöld jelzőfóliával és piros beállító mutatóval, fémház. Az automatikus elzárószelep 3/8" 1x/4" lehetővé teszi a könnyű cserét a rendszer kiürítése nélkül.

CALEFFI "ROBOCAL" automata légtelenítő automatikus elzárószeleppel; sárgaréz szerkezet; kiváló minőségű műanyag úszó; megbízható szelep. Csatlakozás 3/8" O-gyűrűs tömítéssel.

CALEFFI membrános biztonsági szelep 1/2" x3/4", alkatrész-tesztelt; kompakt sárgaréz kialakítás; 3 bar beállított nyomás, akár 50 kW vagy 45 000 kcal/h teljesítményig.

fizetés & Biztonság

Fizetési lehetőségek

  • American Express
  • Apple Pay
  • Bancontact
  • BLIK
  • EPS
  • Google Pay
  • iDEAL
  • Klarna
  • Maestro
  • Mastercard
  • MobilePay
  • PayPal
  • Przelewy24
  • Shop Pay
  • Union Pay
  • Visa

Fizetési adatait biztonságosan dolgozzuk fel. Nem tároljuk és nem férünk hozzá a hitelkártya adataihoz.

Vegye fel velünk a kapcsolatot

5
reviews
See all reviews