Nom: Gema GmbH
Adresse: Anhaltinerring 17, 39429 güsten, Deutschland
Email: verkauf@gema-net.de
Site Web: https://gemashop.de
Fabricant Européen: Oui
Ouvert du lundi au jeudi de 7h à 17h ; vendredi 7h-16h ; Samedi 9h-12h
Pipe de fumée pour les poêles à granulés - Extension à 150 est en stock et sera expédié dès qu'il sera à nouveau disponible
Le délai de traitement est généralement d'un jour ouvré. La livraison des colis est de 1 à 3 jours ouvrés. Pour les livraisons par fret, le délai est de 3 à 5 jours ouvrés. Les délais de livraison hors d'Allemagne varient.
Des tuyaux de poêle et des pièces de raccordement appropriés sont nécessaires pour connecter votre poêle à granulés à la cheminée.
Dans notre boutique, vous trouverez des conduits de cheminée à granulés émaillés ou en acier. Il est important de s'assurer que les conduits sont adaptés aux poêles à granulés, car la combustion produit des températures de fumée différentes de celles des poêles à bois.
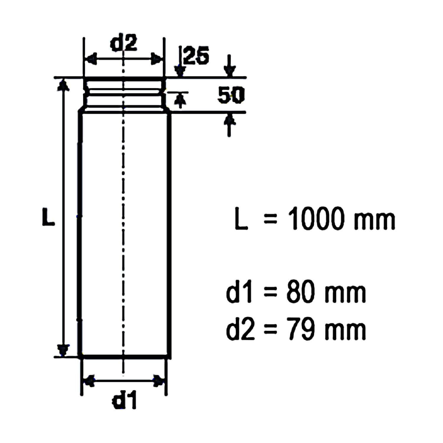
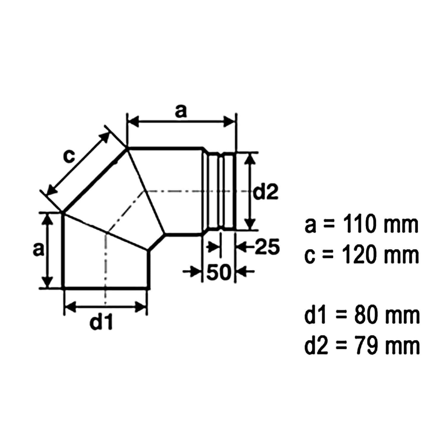
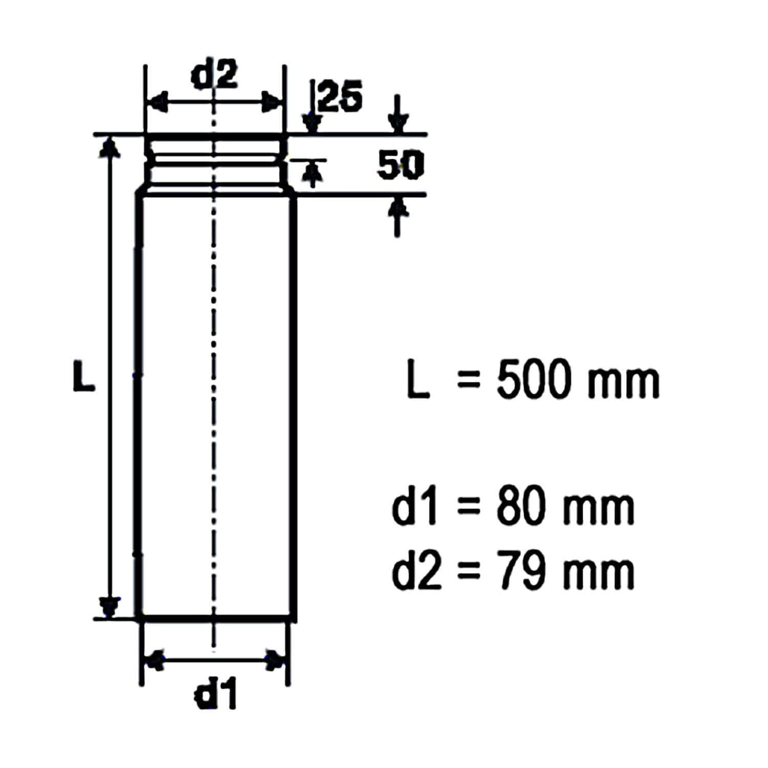
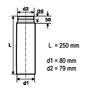
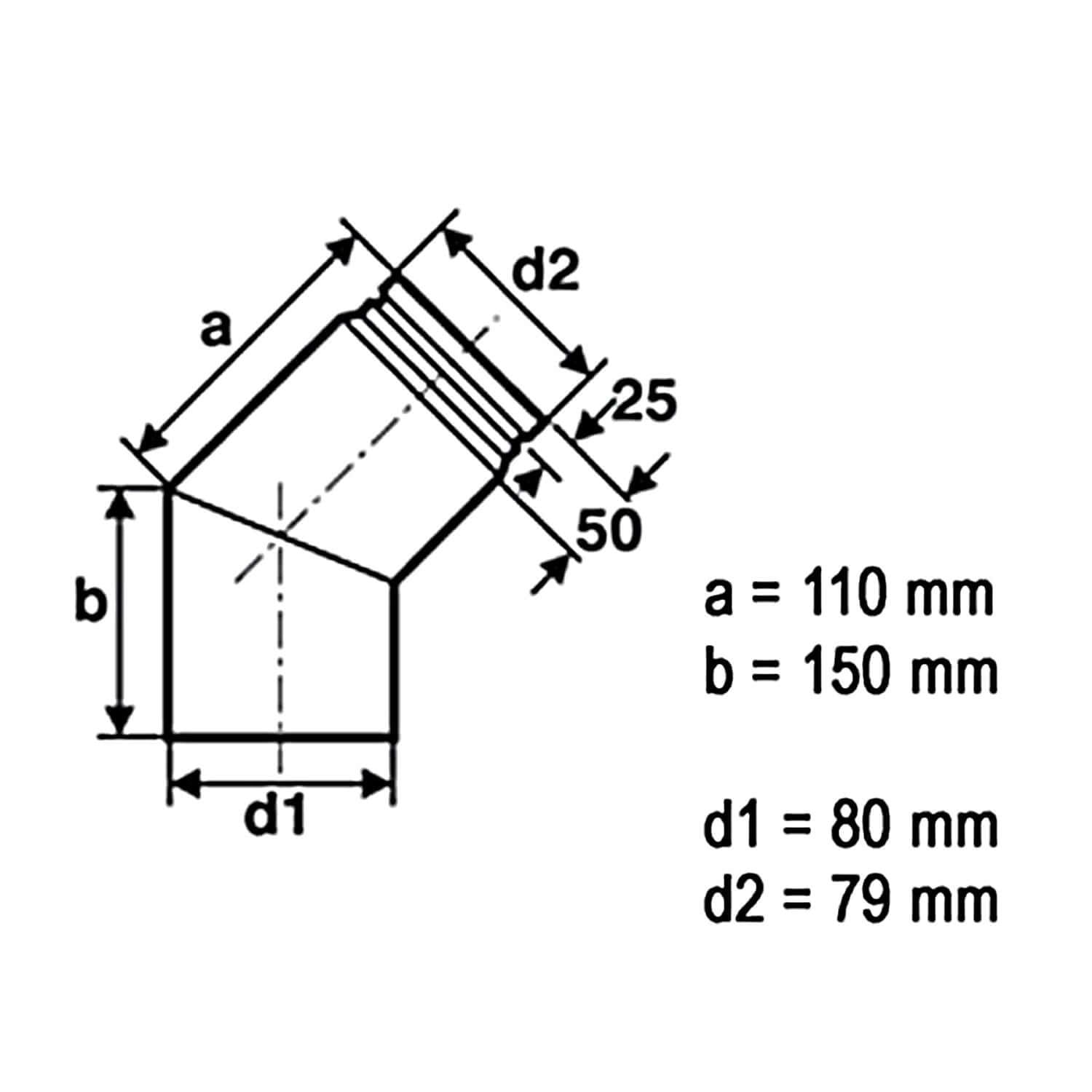
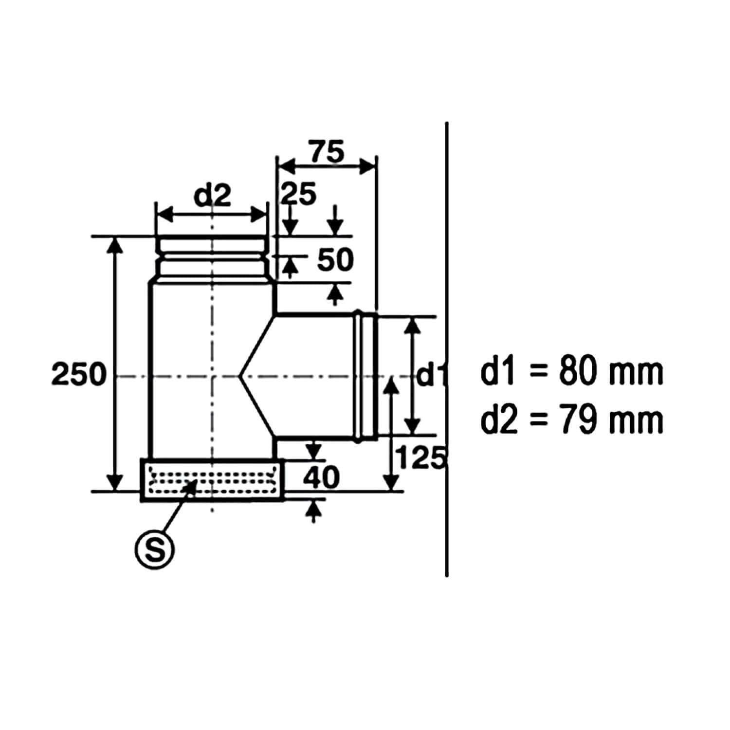
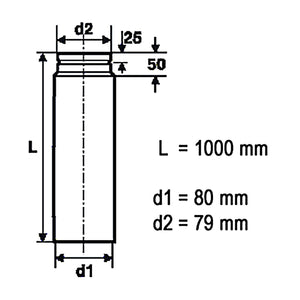
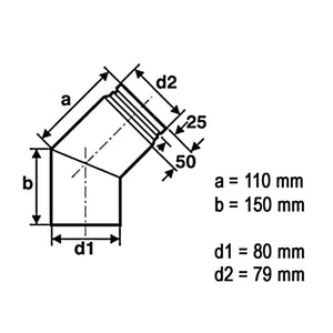
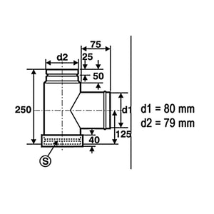
Conduit de fumée pour poêles à granulés (Ø 80 mm) Ils sont généralement utilisés pour évacuer les gaz de combustion toxiques des pièces à vivre. Ils sont directement raccordés au poêle et évacuent les gaz vers l'extérieur par la cheminée. Il est important de noter que les températures des gaz de combustion varient selon le combustible, ce qui sollicite les conduits de poêle différemment.
La combustion de granulés produit des températures de fumées plus basses que la combustion de bois. Cela peut facilement entraîner de la condensation lors de l'évacuation des fumées, ce qui peut fortement contaminer les conduits classiques et entraîner la formation de suie. Les conduits à granulés sont donc émaillés ou fabriqués dans des matériaux inoxydables comme l'acier inoxydable. Ils résistent également au gel et au dégel.
Options de paiement
Vos informations de paiement sont traitées de manière sécurisée. Nous ne conservons ni n'accédons à vos informations de carte bancaire.